当前位置: 首页 > 产品大全 > 82C55 一款经典可编程并行接口芯片的全面解析

82C55 一款经典可编程并行接口芯片的全面解析

82C55 一款经典可编程并行接口芯片的全面解析

在电子元器件领域,特别是微处理器外围接口芯片中,Intel 82C55(及其前身8255)是一款具有里程碑意义的经典产品。作为一款通用的可编程并行输入/输出(I/O)接口芯片,它在数十年的工业控制、嵌入式系统和教学实验中扮演了至关重要的角色。本文将围绕82C55的型号信息、技术资料、供应链以及其在电子元器件销售中的特点进行系统介绍。

一、IC型号82C55:核心功能与特点

82C55是一款CMOS工艺制造的40引脚可编程并行接口芯片(PPI),其名称中的“C”即代表CMOS技术,相较于早期的NMOS版本(如8255A),具有更低的功耗和更宽的工作电压范围。它的核心功能是为微处理器(如经典的8080、8085、8051系列,乃至早期的x86处理器)提供灵活的并行I/O端口扩展。

其主要特点包括:

  1. 三个8位并行端口:通常命名为Port A、Port B和Port C。其中Port C可以拆分为两个4位端口,并且其每一位都可以独立进行置位/复位操作,非常适用于控制信号。
  2. 三种可编程工作模式
  • 模式0(基本输入/输出):三个端口均可设置为简单的输入或输出,无需握手信号。
  • 模式1(选通输入/输出):端口A和B可以配置为带握手信号(使用Port C的部分引脚作为中断请求和应答线)的输入或输出,适用于与打印机、ADC/DAC等外设进行可靠的数据交换。
  • 模式2(双向总线):仅端口A支持,允许数据在同一组8位线上进行双向传输,是三种模式中最复杂、功能最全的一种,常用于与其它智能设备通信。
  1. 直接位控制能力:Port C的每一位都可以通过命令单独置位或清零,这为控制继电器、LED等提供了极大便利。
  2. 与微处理器接口简单:通过数据总线、地址总线及读写控制信号直接与CPU连接,编程配置直观。

尽管在现代高性能嵌入式系统中,其功能大多已被MCU/SoC内部集成的、更强大的GPIO控制器所取代,但82C55因其结构清晰、原理典型,至今仍是计算机组成原理、微机接口技术等课程的核心教学模型,并在一些对成本敏感或需要特定接口扩展的遗留系统中仍有应用。

二、82C55 PDF资料:设计与开发的关键

对于工程师、学生或采购人员而言,获取准确的82C55 PDF资料是进行硬件设计、软件编程和元器件验证的第一步。一份完整的82C55数据手册(Datasheet)通常包含以下核心内容:

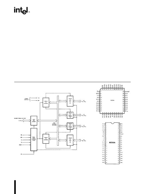
  1. 引脚配置与功能说明:详细描述40个引脚的定义,包括数据总线D0-D7、端口线PA0-PA7、PB0-PB7、PC0-PC7、电源Vcc、地GND,以及读写(RD, WR)、片选(CS)、复位(RESET)和地址线(A0, A1)等控制信号。
  2. 内部结构与框图:展示数据总线缓冲器、读/写控制逻辑、A组/B组控制电路及各I/O端口的结构关系。
  3. 工作模式详解:图文并茂地解释模式0、1、2的时序图、操作流程和端口的功能分配。这是编程应用的灵魂所在。
  4. 电气特性:提供直流特性(如输入/输出电平、电流负载能力)、交流特性(时序参数如建立时间、保持时间)以及绝对最大额定值(防止损坏的电压、温度范围)。
  5. 控制字格式与编程指南:明确如何通过向控制寄存器写入特定的控制字来配置工作模式和端口方向。
  6. 典型应用电路:给出与常见微处理器的连接参考电路。

这些PDF资料通常可以从大型元器件制造商(如Intel原厂,虽然现已停产)、授权分销商的网站,或专业的元器件数据手册聚合平台(如Alldatasheet, Octopart)上免费获取。

三、82C55经销商与供应链现状

由于82C55是一款已经“经典化”甚至“老化”的芯片,其供应链与新型号IC有所不同。当前市场上的82C55经销商主要分为以下几类:

  1. 授权分销商/目录商:一些大型的全球性目录分销商(如Digi-Key, Mouser, Newark)可能仍有库存或可提供来自第二货源制造商(如德州仪器TI、仙童半导体等曾生产过兼容型号)的少量库存。这些渠道正品有保障,但价格可能较高,且库存不稳定。
  2. 独立分销商/现货商:这是目前寻找82C55的主要渠道之一。大量专注于现货市场的独立分销商持有不同时期、不同品牌的库存。他们擅长调配“硬通货”和停产元器件,但需要采购方具备较强的渠道鉴别能力,注意防范翻新、假冒或批次质量不一的风险。
  3. 在线交易平台:在阿里巴巴(1688)、淘宝等B2B/B2C平台上,也有许多国内电子元器件销售商提供82C55芯片。这些渠道价格灵活,选择多,但同样需要仔细评估卖家信誉、产品来源和质量。
  4. 替代品与兼容型号:除了标准的82C55,市场上还存在众多功能完全兼容的型号,如82C55A、N82C55A等,它们可能在细节上略有优化。采购时明确兼容性要求可以拓宽货源。

采购建议:对于研发和小批量生产,优先考虑信誉良好的授权目录商或大型独立分销商。对于大批量或成本极度敏感的项目,在通过可靠的现货商采购时,务必要求提供样品进行严格测试,并核实原厂包装和批次信息。

四、IC与电子元器件销售视角下的82C55

电子元器件销售的角度看,像82C55这样的经典器件有其独特的市场定位和价值:

  • 长尾需求稳定:尽管不再是主流需求,但在教育实验板(如8051/8086教学平台)、工业设备维护、特定领域(如复古计算机爱好者社区)中,存在持续且稳定的长尾需求。
  • 技术服务的附加值:销售此类器件往往不仅仅是提供一颗芯片。能够同时提供准确的数据手册、经典的应用笔记、参考电路图甚至简单的编程示例,会成为销售方的核心竞争力,尤其对于高校实验室和小型研发团队而言。
  • 可靠性是关键:由于多用于教学、维护或特定系统,客户对器件的可靠性和引脚兼容性要求极高。一颗有问题的芯片可能导致整个实验或维修失败,因此销售商的产品质量控制和来源追溯能力尤为重要。
  • 与MCU开发工具的协同:许多销售商会将82C55与相关的单片机开发板、仿真器、编程器等作为解决方案包进行推广,满足学习者或开发者从原理到实践的一站式需求。

###

总而言之,82C55作为电子发展史上的一颗璀璨明珠,其技术原理至今仍有学习价值,其市场身影也尚未完全消失。无论是工程师进行特定系统设计,教师进行课程准备,学生进行实验学习,还是采购人员寻找货源,都需要从型号理解、资料研读、渠道甄别三个方面入手,方能高效、可靠地利用好这款经典的并行接口芯片。在快速迭代的电子行业中,理解并服务好这类经典元器件的市场,本身就是一门专业的学问。

如若转载,请注明出处:http://www.dsnhp.com/product/60.html

更新时间:2026-05-26 14:33:12